LCVCO设计-inductor switching
序言
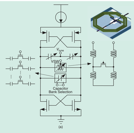
为了拓展LC VCO的谐振频率范围,论文中经常对电感做文章,通过在电感中加入开关,实现多频段覆盖,节省芯片面积的同时,也能增大VCO的谐振频率范围,在工业界也有所应用。论文中常见的开关电感结构分为四种:
- Inductor Switching


- Transformer load switching


- Multicore switching


- Multimode resonance switching



这四种结构各有优缺点,本篇文章主要围绕第一种Inductor Switching的结构进行分析与仿真。
Inductor Switching原理

电感并联一个开关,开关导通时的电感部分长度占比为,A-B等效输入阻抗通用表达式:
开关断开时,忽略寄生,输入阻抗表达式为:
此时电感Q值基本不变;
开关闭合时,设,,输入阻抗表达式为:
此时电感Q值表达式为
简单仿真:

SW-OFF

SW-ON

Ron 减小,2.5ohm->0.5ohm,,,仿真结果与计算结果接近。

电感的1-α和α
为确定和的取值,有如下testbench,mos开关处于on状态。

理论上为了更宽的调谐范围,取值越大越好,但电感寄生参数与的关系如下图所示,开关mos管栅宽640n\x7e2.56u

由莱森公式,频率小于10GHz时,RLC tank的Q值约等于电感自身Q值,Rp约等于电感自身寄生Rp, ,可等效为
其中约等于电感自身的寄生电阻,所以当寄生电阻较大时,相噪会变差。所以的取值不能取太小[1]。为保证即没有开关情况下的电感自身寄生电阻,的取值大于0.3。
同时有,所以的取值不能取太大[2]。参考8GHz的VCO的取值大于等于150Ω,α的取值小于0.35。
另外根据FTR可进一步确定α的取值[3]。总调谐范围5708MHz-10760MHz,拆分为5708MHz-8234MHz,8234MHz-10760MHz。上下边界各留裕量300MHz,最终频率范围为5408MHz-8534MHz,7934MHz-11060MHz。所以=5408MHz,=7934MHz。各自的FTR为46%和33.7%,又
所以,对应5408MHz-8534MHz,7934MHz-11060MHz。接下来确定电感取值
其中,,通常由工艺决定,一般用莱森公式从相噪spec反推,可得取值为532pH左右,同理,取值为231pH左右, 约等于60%。电感取值需要几轮迭代,通过谐振范围确定的最终取值。
开关的Ron和Coff
Mos开关的寄生影响的取值,进而影响频率范围。所以需要对MOS开关提参,扫描其尺寸,选择合适的寄生参数,平衡电感的Q值和FTR 。
MOS开关小信号模型分析
mos开关处于on状态,小信号等效如下图所示


可视为开路,在mos导通时被沟道隔开,可以忽略,可进一步等效为

对于小于10GHz的信号,R_{on}\x7e\ll~\left|\frac{1}{j\omega(\frac{c_{GD}c_{GS}}{c_{GD}+C_{GS}}+\frac{c_{SB}c_{DB}}{c_{SB}+C_{DB}})}\right|,所以可以视为此时MOS管仅有
mos开关处于off状态,小信号等效如下图所示。

在差模下两端电平均为0电位,可进一步等效为

其中,与栅长Length无关,
仿真mos开关的寄生
M=NF=60,Width=1.92um,开关关断时,Ron/Coff电容随栅长变化:

其中Coff取值与仿真接近,符合预期。
M=NF=60,Length=140nm开关闭合时,Ron/Coff随栅宽变化:

提参MOS开关并联电感的阻抗实部,与直流工作点MOS寄生Ron接近,虚部接近0,符合预期。
Width=1.28um,NF=60,Ron/Coff随M变化:

Width=1.28um,M=60,Ron/Coff随NF变化:

仿真设计验证
(1)参数优化
根据之前计算可得Lband的电感值为532pH,Hband的电感231pH,约等于60%。假设串联寄生电阻Rs=1.2Ω,则在5.4GHz电感Q值为15。
经过谐振频率范围计算,当MOS开启时,Hband电感值为240pH,约等于55%,Q为15.77,Rs为0.75Ω<1.2Ω,Rp=188Ω。此时MOS管=1.28um60=76.8um,M=60,L=140n,MOS管对应的Coff=898fF,占据了相当大的一部分调谐电容比例。
根据之前电容仿真结果,优化MOS管尺寸后,最终MOS管=1.92um40=76.8um,M=15,L=40n,MOS管对应的Coff=225fF,Ron=0.38Ω。
考虑Coff电容,C_bank中Cmax1=Cmax2=1562.4fF,Cmin1=Cmin2=612.3fF,最终α约等于50%。L1=532pH,L2=L1*(1-α)=266pH。
Cmax下,开关闭合/断开,谐振频点分别为5.46GHz/7.86GHz

Cmin下,开关闭合/断开,谐振频点分别为8.41GHz/12.36GHz

频率范围5460-8410MHz/7860-12360MHz,交叠550MHz,Cband取值对于Hband存在冗余,满足调谐范围5708MHz-10760MHz要求。
有开关情况下的电感参数:
SW-OFF,freq=5.4GHz,L=554pH,Rp=272.3Ω;

SW-ON,freq=7.8GHz,L=267.8pH,Rp=168.408Ω;

根据Rp和最大幅值Amax选择最优偏置电流,优化core管尺寸,将该组LC与负阻gm并联,仿真tb如下:

HB仿真结果如下,调谐范围为5406.9-8341.1MHz/7746.6-1223.5MHz:

(2)电感设计


①型

SW-OFF:

SW-ON:

②型

SW-OFF:

SW-ON:

③型

SW-OFF:

SW-ON:

(3)仿真验证
Testbench:NMOS Only,625fF/1562.47fF

①型
Tuning range:5339~8036MHz/7813~12181MHz

VDD=0.8V,Phase Noise:-124.76~-119.11dBc/-115.76~-107.92dBc

②型
Tuning range:5339~8095MHz/7626~11932MHz**

VDD=0.8V,Phase Noise:-123.77~-115.42dBc/-119.65~-115.23dBc

③型
Tuning range:5301~8121MHz/8936~12022MHz
VDD=0.8V,Phase Noise:-124.68~-118.05dBc/-114.77~-108.93dBc

参考文献
[1] Microwave_LC_Oscillators_Multimode_Switching_Techniques, Pei Qin
[2] A CMOS 3.3–8.4 GHz Wide Tuning Range, Low Phase Noise LC VCO, Bodhisatwa Sadhu
[3] Modeling and Synthesis of Wide-Band Switched-Resonators for VCOs, Bodhisatwa Sadhu


